Se rendre au contenu

Créez votre compte professionnel et découvrez vos prix préférentiels et d'autres avantages. Savoir plus

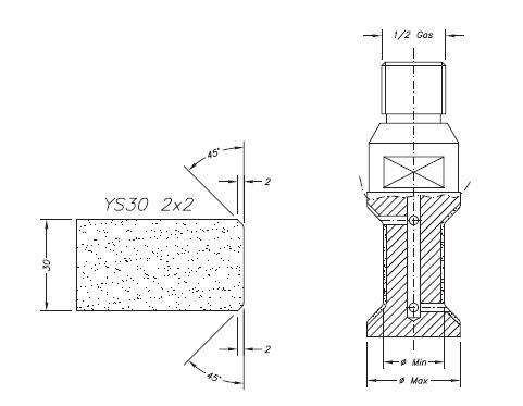
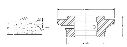
Fraises à profiler